Вы можете заказать покраску данного изделия в Промышленном крепеже
Подробнее об услуге покраски
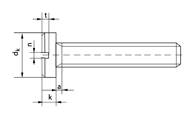
|
Размеры |
м3 |
м4 |
м5 |
м6 |
м8 |
м10 |
|
а max |
1 |
1,4 |
1,6 |
2 |
2,5 |
3 |
|
dk |
4 |
5,5 |
6,5 |
8 |
10 |
13 |
|
k |
1,8 |
2,4 |
2,7 |
3,1 |
3,8 |
4,60,5 |
|
n |
0,5 |
0,6 |
0,8 |
1 |
1,2 |
1,6 |
|
t max |
1,15 |
1,5 |
1,6 |
1,9 |
2,4 |
2,8 |

|
Резьба |
|||
|
Длина |
м3 |
м4 |
м5 |
|
3 |
+ |
||
|
4 |
+ |
+ |
|
|
5 |
+ |
+ |
+ |
|
6 |
+ |
+ |
+ |
|
8 |
+ |
+ |
+ |
|
10 |
+ |
+ |
+ |
|
12 |
+ |
+ |
+ |
|
16 |
+ |
+ |
+ |
|
18 |
+ |
+ |
|
|
20 |
+ |
||
|
25 |
+ |
||