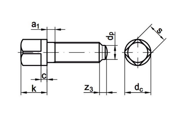
Квадратная головка, буртик и ступенчатый конец со сферой установочного винта DIN 480 способствуют надёжному соединению деталей в нагруженных конструкциях: затягивание винта через квадратную головку позволяет прикладывать большие усилия, а буртик предотвращает деформирование поверхности детали. Винт с закруглённым концом можно устанавливать в сквозных отверстиях. Отечественный аналог DIN 480 – ГОСТ 1486-84.
Винт DIN 480 сразу ввинчивается в объект предоставленный для скрепления, поэтому нет необходимости использовать гайки, что намного сокращает время монтажа. Высокопрочные винты DIN 480 выдерживают большие нагрузки, что облегчает вес конструкций. Благодаря устойчивости подходит для соединений, испытывающих большие динамические или сдвиговые нагрузки.
Применение
Основное назначение установочных винтов – станкостроение, а также точное приборостроение, машиностроение. Установочные винты применяются не в качестве скрепляющего крепежа, а для взаимного фиксирования деталей. Например, вал редуктора в корпусе.




