| L/d | М8 | М10 | М12 | М14 | М16 | М18 | М20 | М22 | М24 | М27 | М30 | М36 | М42 |
|---|---|---|---|---|---|---|---|---|---|---|---|---|---|
| 30 | х | ||||||||||||
| 35 | х | ||||||||||||
| 40 | х | х | |||||||||||
| 45 | х | х | |||||||||||
| 50 | х | х | х | ||||||||||
| 55 | х | х | х | ||||||||||
| 60 | х | х | х | х | |||||||||
| 65 | х | х | х | х | х | ||||||||
| 70 | х | х | х | х | х | х | |||||||
| 75 | х | х | х | х | х | х | |||||||
| 80 | х | х | х | х | х | х | х | ||||||
| 90 | х | х | х | х | х | х | х | х | |||||
| 100 | х | х | х | х | х | х | х | х | |||||
| 110 | х | х | х | х | х | х | х | х | |||||
| 120 | х | х | х | х | х | х | х | х | х | ||||
| 130 | х | х | х | х | х | х | х | х | |||||
| 140 | х | х | х | х | х | х | х | х | х | ||||
| 150 | х | х | х | х | х | х | х | х | |||||
| 160 | х | х | х | х | х | х | х | х | х | ||||
| 170 | х | х | х | х | х | х | х | х | |||||
| 180 | х | х | х | х | х | х | х | х | |||||
| 190 | х | х | х | х | х | х | х | ||||||
| 200 | х | х | х | х | х | ||||||||
| 220 | х | х | х | х | х | ||||||||
| 240 | х | х | х | х | х | ||||||||
| 260 | х | х | х | х | |||||||||
| 280 | х | х | х | ||||||||||
| 300 | х | х | х | ||||||||||
| 320 | х | х | |||||||||||
| 340 | х | х | |||||||||||
| 360 | х | х | |||||||||||
| 380 | х | ||||||||||||
| 400 | х | ||||||||||||
| 420 | х | ||||||||||||
| 440 | х |
| d | М8 | М10 | М12 | М14 | М16 | М18 | М20 | М22 | М24 | М27 | М30 | М36 | М42 |
| шаг резьбы | 1 |
1 1,25 |
1 1,25 1,5 |
1,5 | 1,5 |
1,5 2 |
1,5 2 |
1,5 2 |
1,5 2 |
2 | 2 | 3 | 3 |
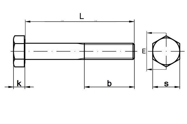
| b (L≤125) | 22 | 26 | 30 | 34 | 38 | 42 | 46 | 50 | 54 | 60 | 66 | 78 | 90 |
| b (125≤L<200) | 28 | 32 | 36 | 40 | 44 | 48 | 52 | 56 | 60 | 66 | 72 | 84 | 96 |
| b (L>200) | 41 | 45 | 49 | 53 | 57 | 61 | 65 | 69 | 73 | 79 | 85 | 97 | 109 |
| k | 5,3 | 6,4 | 7,5 | 8,8 | 10 | 11,5 | 12,5 | 14 | 15 | 17 | 18,7 | 22,5 | 26 |
| s | 13 | 17 | 19 | 22 | 24 | 27 | 30 | 32 | 36 | 41 | 46 | 55 | 65 |
| e | 14,38 | 18,9 | 21,1 | 23,91 | 26,17 | 29,56 | 32,95 | 35,03 | 39,55 | 45,2 | 50,85 | 60,79 |
