- Главная страница
- Каталог
- Крепёж
- Болты, винты, шпильки
- Болты
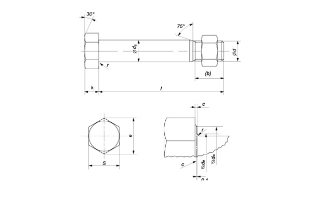
- Болт призонный DIN 7968
Болт призонный DIN 7968
призонный стяжной, в комплекте с гайкой
Удобная оплата.
По счету или банковской картой
Доставка.
По всей территории Казахстана
Качество.
Входной контроль каждой партии товара
|
Размеры |
м12 |
м16 |
м20 |
м24 |
м27 |
м30 |
|
b |
20,5 |
24,5 |
28,5 |
33 |
35,5 |
38,5 |
|
k |
8 |
10 |
13 |
15 |
17 |
19 |
|
ds min |
12,74 |
16,74 |
20,71 |
24,71 |
27,71 |
30,67 |
|
s |
18 |
24 |
30 |
36 |
41 |
46 |

|
Резьба |
||||||
|
Длина |
м12 |
м16 |
м20 |
м24 |
м27 |
м30 |
|
35 |
+ |
+ |
||||
|
40 |
+ |
+ |
+ |
|||
|
45 |
+ |
+ |
+ |
+ |
||
|
50 |
+ |
+ |
+ |
+ |
||
|
55 |
+ |
+ |
+ |
+ |
||
|
60 |
+ |
+ |
+ |
+ |
+ |
|
|
65 |
+ |
+ |
+ |
+ |
+ |
|
|
70 |
+ |
+ |
+ |
+ |
+ |
|
|
75 |
+ |
+ |
+ |
+ |
+ |
|
|
80 |
+ |
+ |
+ |
+ |
+ |
+ |
|
85 |
+ |
+ |
+ |
+ |
||
|
90 |
+ |
+ |
+ |
+ |
+ |
+ |
|
95 |
+ |
+ |
||||
|
100 |
+ |
+ |
+ |
+ |
+ |
+ |
|
105 |
+ |
+ |
||||
|
110 |
+ |
+ |
+ |
+ |
+ |
|
|
115 |
+ |
+ |
+ |
|||
|
120 |
+ |
+ |
+ |
+ |
+ |
|
|
125 |
+ |
|||||
|
130 |
+ |
+ |
+ |
+ |
+ |
|
|
140 |
+ |
+ |
+ |
+ |
+ |
|
|
150 |
+ |
+ |
+ |
+ |
+ |
|
|
160 |
+ |
|||||
|
180 |
+ |
|||||



