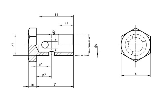
Болт DIN 7643 с отверстиями полый для кольцеобразных ниппелей с короткой резьбой.
Другие названия
Болт Банджо.
Применение
Болт DIN 7643 применяется для резьбового соединения труб со сферической втулкой. Предназначен для монтажа с поворотными кольцеобразными (кольцевым) ниппелями. Широкое распространение данное изделие получило в машиностроении, обрабатывающей промышленности, а также при сборке различных конструкций и агрегатов. С его помощью производится монтирование рукавов высокого давления.



