- Главная страница
- Каталог
- Крепёж
- Болты, винты, шпильки
- Болты
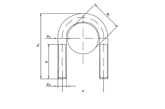
- Болт-скоба U-образной формы DIN 3570
Болт-скоба U-образной формы DIN 3570
хомут с резьбой
Удобная оплата.
По счету или банковской картой
Доставка.
По всей территории Казахстана
Качество.
Входной контроль каждой партии товара
|
Размеры |
23 |
30 |
38 |
46 |
52 |
| номинальный диаметр трубы | 15 | 20 | 25 | 32 | 40 |
|
d1 |
20-21 |
25-26,9 |
30-33,7 |
38-42,4 |
44,5-48,3 |
|
b |
30 |
40 |
40 |
50 |
50 |
|
d2 |
10 |
10 |
10 |
10 |
10 |
|
d3 |
м10 |
м10 |
м10 |
м10 |
м10 |
|
e |
33 |
40 |
48 |
56 |
62 |
|
h |
60 |
70 |
76 |
86 |
92 |
|
Размеры |
64 |
82 |
94 |
120 |
148 |
| номинальный диаметр трубы | 50 | 65 | 80 | 100 | 125 |
|
d1 |
57-60,3 |
76,1 |
88,9 |
108-114,3 |
133-139,7 |
|
b |
50 |
50 |
50 |
60 |
60 |
|
d2 |
12 |
12 |
12 |
16 |
16 |
|
d3 |
м12 |
м12 |
м12 |
м16 |
м16 |
|
e |
76 |
94 |
106 |
136 |
164 |
|
h |
109 |
125 |
138 |
171 |
191 |
|
Размеры |
176 |
228 |
282 |
332 |
| номинальный диаметр трубы | 150 | 200 | 250 | 300 |
|
d1 |
159-168,3 |
216-219,1 |
267-273 |
318-323,9 |
|
b |
60 |
70 |
70 |
70 |
|
d2 |
16 |
20 |
20 |
20 |
|
d3 |
м16 |
м20 |
м20 |
м20 |
|
e |
192 |
248 |
302 |
352 |
|
h |
217 |
283 |
334 |
385 |




