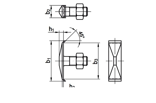
Анкерный болт DIN 25193 имеет грибовидную головку, другое название – скобовый винт. Поставляется в комплекте с гайкой. Предназначен для железнодорожного транспорта – крепления деталей вагонов, локомотивов.
- Главная страница
- Каталог
- Крепёж
- Болты, винты, шпильки
- Болты
- Болт анкерный DIN 25193 с гайкой
Болт анкерный DIN 25193 с гайкой
для ж/д транспорта
Удобная оплата.
По счету или банковской картой
Доставка.
По всей территории Казахстана
Качество.
Входной контроль каждой партии товара
| Параметры | М8 | М10 |
| b1 | 55 | 55 |
| b2 | 20 | 20 |
| b3 | 49 | 49 |
| h1 | 5 | 5 |
| h2 | 1.5 | 1.5 |




