|
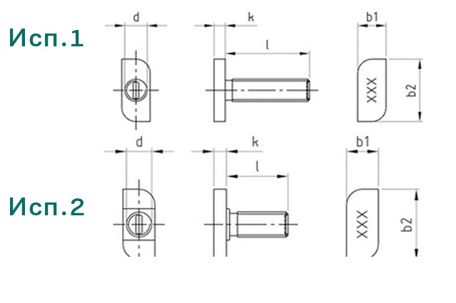
d |
м 8(A2,A4) |
м10(A2,A4) |
м12(A4) |
|
k |
4 |
4,5 |
6 |
|
b1 |
10 |
10 |
10 |
|
b2 |
22,73 |
22,73 |
22,73 |
|
d |
l |
k |
b1 |
b2 |
|
8 |
20 |
4 |
10 |
22,4 |
|
40 |
4 |
10 |
22,4 |
|
|
45 |
4 |
10 |
22,4 |
