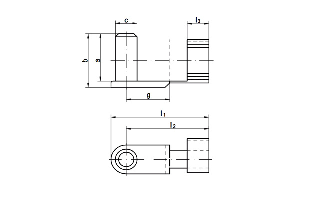
Шарнир угловой ES арт. 88752 (защелка пружинная) используется вместе с вилочным шарниром DIN 71752.
- Главная страница
- Каталог
- Крепёж
- Болты, винты, шпильки
- Болты
- Шарнир угловой ES art. 88752
Шарнир угловой ES art. 88752
Удобная оплата.
По счету или банковской картой
Доставка.
По всей территории Казахстана
Качество.
Входной контроль каждой партии товара
| Параметры | 6х12 | 6х24 | 8х16 | 8х32 | 10х20 | 10х40 | 12х24 | 12х48 | 16х32 | 16х64 | 20х40 |
| c | 6 | 6 | 8 | 8 | 10 | 10 | 12 | 12 | 16 | 16 | 20 |
| a | 14 | 14 | 19 | 19 | 23 | 23 | 28 | 28 | 34 | 34 | 44 |
| b | 16 | 16 | 21.5 | 21.5 | 26 | 26 | 31 | 31 | 38 | 38 | 47 |
| l1 | 28 | 40 | 37 | 52 | 45 | 65 | 53 | 78 | 73 | 103 | 98 |
| l2 | 23 | 35 | 30 | 46 | 38 | 58 | 45 | 69 | 62 | 92 | 81 |
| l3 | 6.5 | 6.5 | 8 | 8 | 10 | 10 | 12 | 12 | 16 | 16 | 16 |








