Хомут трубный DIN 3567 - металлическая зажимная скоба, крепление для любых систем трубопроводов, как для воды, так и отвода канализации.
Применение: используются для монтажа трубопроводов при высоких статических нагрузках, для фиксации трубопровода при сборке неподвижных опор, для сборки сварных опорных конструкций трубопроводов.
Особенности:
- Изготовлен из высокопрочной стали.
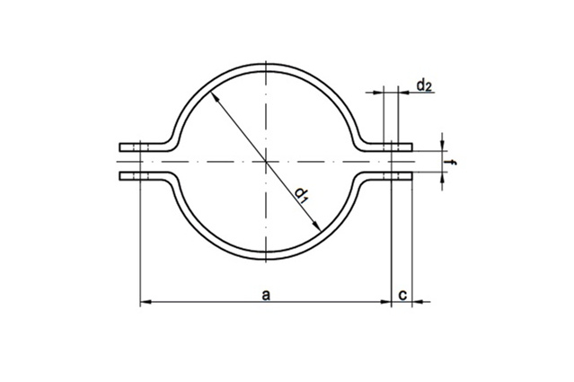
- Состоит из двух симметричных металлических изогнутых стальных пластин. На краях пластин просверлены отверстия, через которые устанавливаются крепежные резьбовые элементы для последующего стягивания хомута вокруг трубы. Для соединения двух половин хомута применяются болты с шестигранными гайками.
- Уплотнение трубы производится при помощи резиновой прокладки.
- Половины хомута продаются отдельно (цена указана за одну половину хомута).






















